Photonchina, Micro spherical lens expert
Micro Spherical Lenses
Under the condition of high refractive index, some optical components can achieve short focal length. Therefore, the micro lens becomes an ideal choice in the field of high precision applications.
Through years of accumulated processing know-how technologies and production capacity, high standard thin film coating performance and strict testing requirements, Photonchina provides customers with one of the world's smallest but excellent micro lenses products, which have been widely used in various medical devices (endoscope lens, for example), precision surveying and optical communications instruments.
From design, manufacturing to optical coating, from endoscope lens, capsule lens to special-required rod lens, from single mini lens to glued lenses system, engineers in Photonchina implement strict production process to ensure stable quality, competitive price as well as responsive lead time.
A variety of optical glass or other materials, such as BK7, N-SF11, H-LAF76, Fused Silica and so on are available for customer’s design. H-LaF53, for instance, has often been used in endoscope lens or capsule lens production. We have a wide range of lenses in shape: convex, concave, biconvex, meniscus etc.
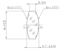
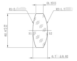
See an example product below, unit is mm.
About Photonchina
Photonchina is a leading manufacturer of micro spherical lens and quartz waveplate products in the world.
Custom lens sizes, variations in polishing/ ground surfaces and specific optical coating request are all available upon request.
Please visit micro spherical lens at: http://www.photonchinaa.com/micro-lens/ or any inquiry: [email protected]
